0 Ваша Корзина

Пушка газовая, ТПГ ТПГ-20

Наведите на картинку для увеличения

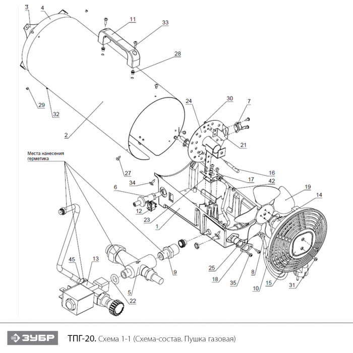
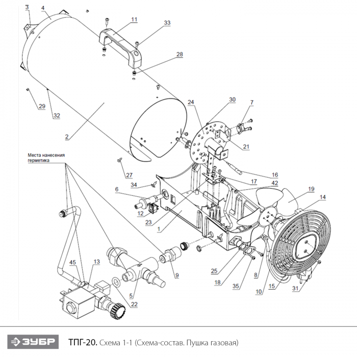
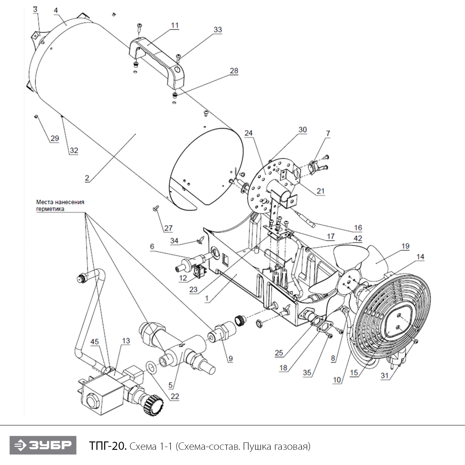
Поз. в схеме Название Кол-во по схеме Кол-во в корзину Цена  
1
N000-019-240-2
1
+
463 Р
2
N000-019-206
1
+
0 Р
3
N000-019-248
1
+
0 Р
4
N000-019-213
1
+
303 Р
5
N000-019-218-2
1
+
3104 Р
6
N000-019-224
1
+
774 Р
7
N000-041-000
1
+
100 Р
7
N000-019-228
1
+
124 Р
8
N000-019-230
1
+
0 Р
9
N000-038-106
1
+
345 Р
10
N000-019-257
1
+
0 Р
11
N000-019-234
1
+
265 Р
12
N000-041-004
1
+
131 Р
12
V000-003-286
1
+
154 Р
13
N000-019-249
1
+
2699 Р
14
V000-001-012-2
1
+
1704 Р
15
N000-019-208-2
1
+
424 Р
16
N000-040-999
1
+
596 Р
16
N000-019-225
1
+
792 Р
17
N000-019-241
1
+
0 Р
19
N000-019-231-2
1
+
404 Р
21
N000-019-246
1
+
0 Р
23
N000-019-207
1
+
1003 Р
40
N000-038-107
1
+
2147 Р
44
N000-038-108
1
+
0 Р
45
N000-038-109
1
+
636 Р
ТПГ-20
26
Высокоэффективный газовый обогреватель, работающий на наиболее распространенном виде топлива. Оптимально подходит для использования на открытых и полузакрытых площадках для просушки и обогрева, размораживания траншей и аварийного прогрева помещений, а так же для монтажа натяжных потолков. Надежный поджиг дуги и эффективное горение гарантируют безотказную подачу тепла в любых условиях эксплуатации. Сделано в России
ЗУБР - тепло всегда и везде
Бренд:
ЗУБР
Серия:
МАСТЕР
Пушка тепловая:
Пушка тепловая
Редуктор:
Редуктор
Руководство по эксплуатации:
Руководство по эксплуатации
Рукоятка:
Рукоятка
Шланг газовый:
Шланг газовый

Основные характеристики

Вилка:
есть
Воздушный поток:
330 м³/ч
Воздушный поток, м3/ч:
330
Воздушный поток, м³/ч:
330
Габариты:
44x28x18.5 см
Габариты изделия (ДхШхВ):
44x28x18.5 см
Габариты упаковки (ДхШхВ):
48х22х27 см
Давление газа:
0.7 Атм
Двойные стенки:
есть
Класс защиты:
I
Масса в упаковке:
4.8 кг
Масса изделия:
3.8 кг
Мощность:
20 кВт
Мощность вентилятора:
32 Вт
Мощность, кВт:
20
Напряжение:
230~/50 В/Гц
Напряжение, В/Гц:
230~/50
Объем отапливаемого помещени, до:
400 м³
Расход топлива:
1.4 кг/ч
Резьба присоединения шланга:
1/4 дюйм
Система отключения газа:
есть
Термопредохранитель:
есть
Тип:
газовая
Тип газа:
пропан, бутан
Тип поджига:
пьезо
Возможно вас это заинтересует
 
Удобная и быстрая доставка

Доставка курьерской службой по России и ближнему зарубежью

Гарантия качества от профессионалов

Только сертифицированные мастера и комплексное обслуживание

Гарантия на услуги в течение 30 дней

Мы уверены в качестве своей работы и даем гарантию 30 дней

Сообщить ! об ошибке