0 Ваша Корзина

Тепловая пушка, компактная, ТП ТП-5

Наведите на картинку для увеличения

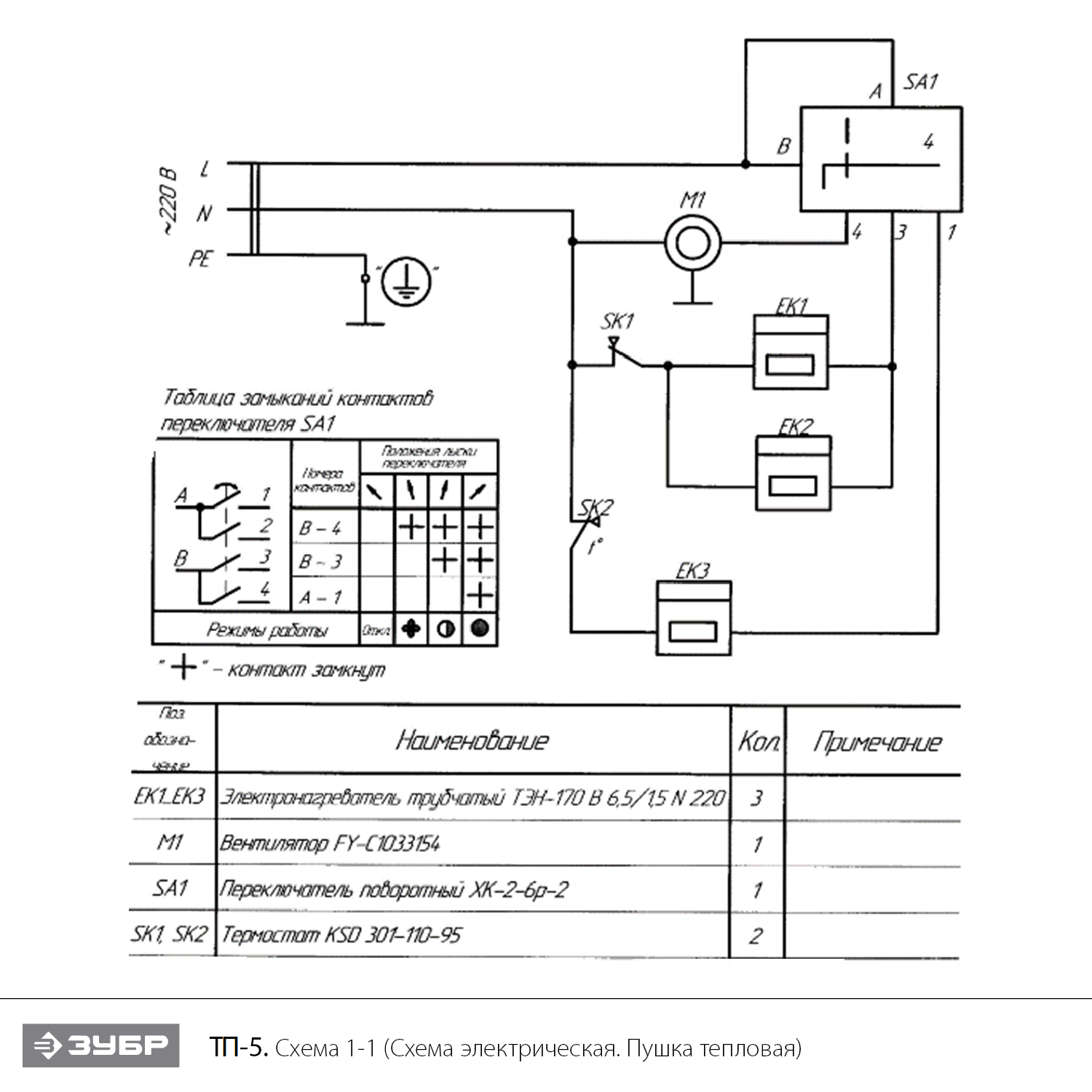
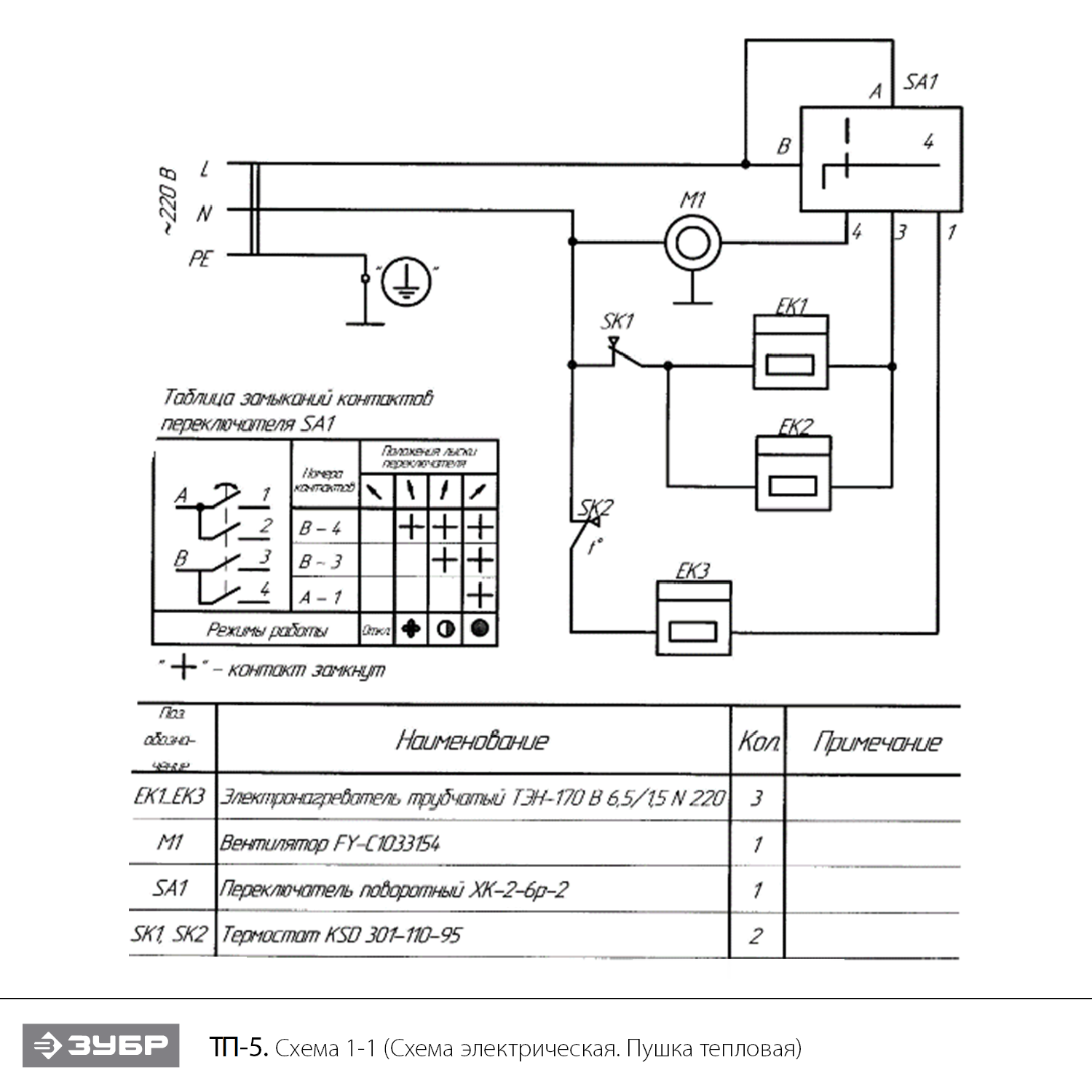
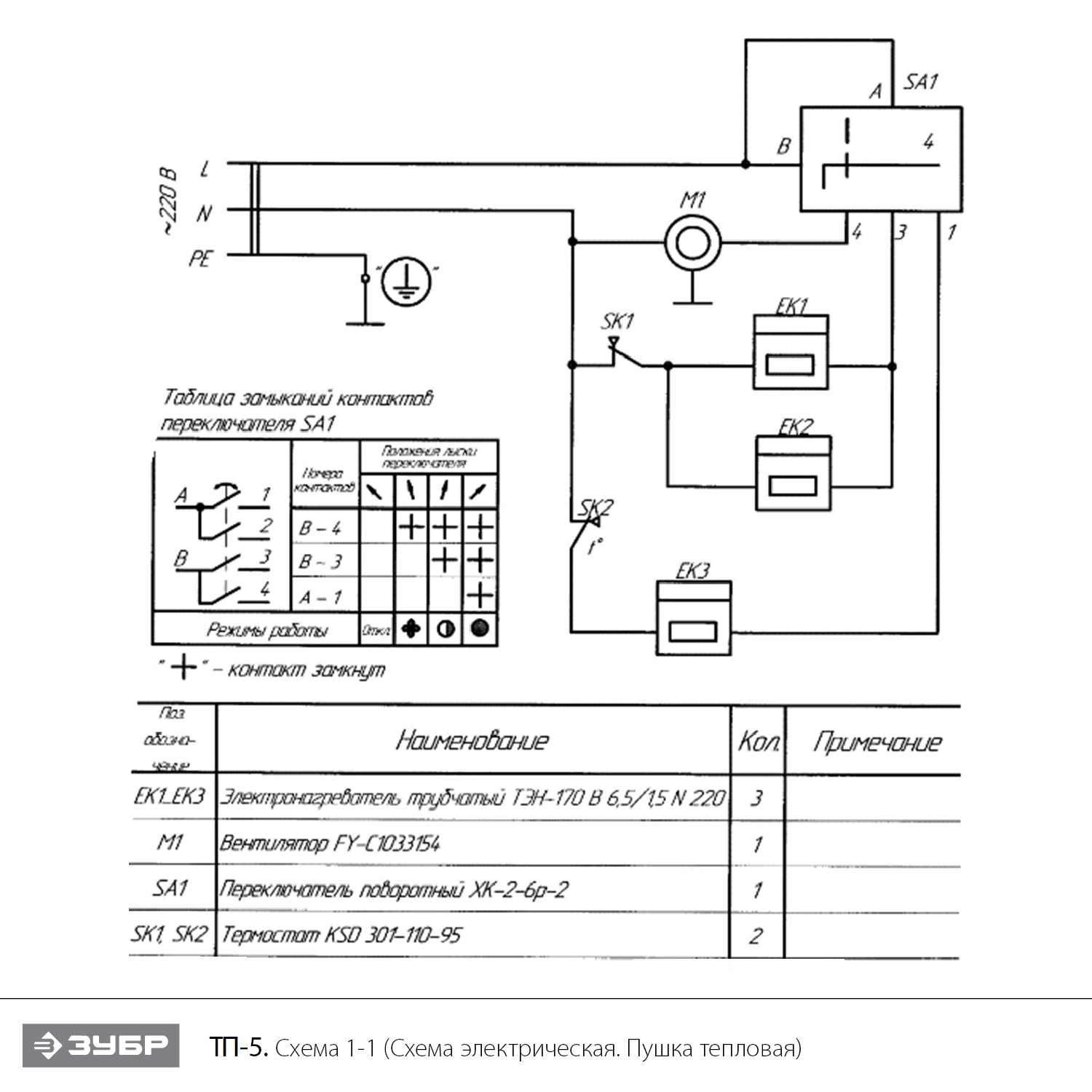
Поз. в схеме Название Кол-во по схеме Кол-во в корзину Цена  
7
V000-001-043
1
+
3451 Р
7
V000-001-064
1
+
4410 Р
9
V000-004-120
3
+
1033 Р
10
V000-006-956
2
+
207 Р
13
V000-003-498
1
+
637 Р
15
N000-029-541
1
+
252 Р
21
N000-029-543
2
+
0 Р
ТП-5
7
Компактный и легкий обогреватель в круглом корпусе для квартиры, загородного дома, мастерских гаражей и т.д. Большая площадь ТЭНов и эффективный обдув способствуют более быстрому нагреву помещения. Конструктивные меры безопасности (дополнительный защитный кожух, термопредохранитель, заземление корпуса) защищают Вас и изделие при нештатных ситуациях. Сделано в России ЗУБР - тепло и уют Вашего дома
Бренд:
ЗУБР
Серия:
МАСТЕР
-Пушка тепловая, шт, 1 шт, -Руководство по эксплуатации, шт, 1 шт,:
-Пушка тепловая, шт, 1 шт, -Руководство по эксплуатации, шт, 1 шт,
Пушка тепловая:
Пушка тепловая
Руководство по эксплуатации:
Руководство по эксплуатации

Основные характеристики

Воздушный поток:
315 м³/ч
Воздушный поток, м3/ч:
315
Воздушный поток, м³/ч:
315
Габариты:
21х34х28 см
Габариты изделия (ДхШхВ):
34х21х28 см
Габариты упаковки (ДхШхВ):
35х21.5х28.5 см
Двойные стенки:
есть
Клавиша сброса:
нет
Класс защиты:
I
Макс. ток:
21 А
Масса в упаковке:
3.8 кг
Масса изделия:
3.5 кг
Мощность:
3.2/4,8 кВт
Мощность вентилятора:
35 Вт
Мощность, кВт:
4.8
Напряжение:
220/50~ В/Гц
Напряжение, В/Гц:
220/50
Площадь обогрева, до:
50 м²
Продувка:
нет
Тепловая энергия:
3870 кКалл/ч
Термопредохранитель:
есть
Тип:
электрическая
Тип нагревателя:
гладкий ТЭН
Увеличение темп-ры за один проход:
70 градус
Возможно вас это заинтересует
 
Удобная и быстрая доставка

Доставка курьерской службой по России и ближнему зарубежью

Гарантия качества от профессионалов

Только сертифицированные мастера и комплексное обслуживание

Гарантия на услуги в течение 30 дней

Мы уверены в качестве своей работы и даем гарантию 30 дней

Сообщить ! об ошибке